DODGE RAM VAN 1500 PCM 修理

DODGE RAM VAN 1500 PCM 修理交換
はじめに
とうとう来てしまいました、山中を走っていて上り坂での突然のストップからのメーター内の “NO BUS” 数あるセンサーの故障、もしくはPCM(ECU、ECM 呼び方は様々)の故障ですが、キーを回すとASDリレーと燃料ポンプのリレーがチャッタリング、、、、
バッテリーマイナス端子からのボディーグラウンド、エンジンブロックへの接点を点検しても緩んでるところはなく、、、、、、ちーん!
ひとまず、バックで重いブレーキとハンドルを操作しながら平らなところへ、そこで保険のロードサービスを呼んで、運んでもらいました。
必要な道具
- 診断機、診断ソフト
- 8mm,13mm ラチェット
- テスター
- ワニクリップ付き同線
手順1 診断機で検査

- OBD2 端子に診断機を繋ぐ
何か出るかもしれないので念のため、、、

拡大した写真です
赤線部 ECU Engin Not Detected ECUが検出されませんでしたですって

ブルートゥース通信の診断ソフト使ってます
手順2 センサー類のチェック



- クランクポジションセンサー
- MAPセンサー (マニホールドの圧力センサー)
- スロットルポジションセンサー
- カムポジションセンター
- エアーテンプラチャーセンサー 等
などなど、いろんなセンサーのコネクターを外しては、キーを回してを繰り返して、”NO BUS” が消えたら そのセンサーの故障で交換すれば直る
でもでもでもでも、外しては付け、外しては付けやった物のまったく変化なし
手順 3 中古のPCM 入手

- Ebayでアメリカから中古PCMを入手し交換してみる
右がオリジナル、左が中古で入手したもの
型番が違うし、形も違う大丈夫なのか???

- エンジンはかかるが、チェックランプ点灯、
- PCMが原因だったことはわかったが、チェックランプ点灯は車検はNG

- P0138
O2センサー 電圧以上 高いほうに触れてる(Bank1 sensor2) - P0141
O2センサー ヒーター回路異常(Bank1 sensor2) - P0443
キャニスターのバキューム回路のパージバルブの異常(ホース破れとか)
異常が出まくりというかよく出る異常、、、、
でもさ、O2センサーの信号とヒーター両方異常ってなかなかなくない??
ということで
手順 4 O2センサー回路のチェック

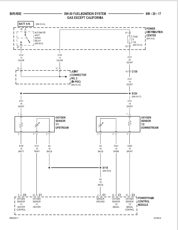
- 回路図ではこうなってるらしい
- 右側のダウンストリーム(触媒後ろ)って方にエラーが出てる
- →入ってる方がシグナルの線で、ふにゃふにゃしてる方がヒーター
どっちもアース側は同じ線になってる
線の断線は目視では確認できなくて、もし切れてるなら両方エラーが出るはず - ヒューズは切れてない切れてれば両方エラーが出る
- アップストリームのほうは正常だから、異常あるならセンサー2からPCMまでの間右端の線2本かセンサー本体


- 付けたまんまだと、非常に測りずらかったので、O2センサー取り外して、ヒーター回路の導通を検査します
コネクターの上側(勝手に上側ってしてます)(外れ止めのある方)がヒーター回路です - 写真では分かりにくいですが4.1Ωあるので正常の範囲内だと思います


- ハーネス側の導通も検査します
4,16,25番のピンです

- 線の断線、ショートなどはなさそうでした
となると中古で購入したコンピューター自体が内部でショートもしくは断線しているのが濃厚です
そもそも違うコンピューター?

- こんな線を作っておくといろいろ便利かと思います
黄色い線の先端は虫ピンになっていて、配線に刺して導通確認や電圧がかかっているかどうか確認できます
手順5 PCMを修理する


- これもまたEbayで修理業者を見つけて、壊れたPCMをアメリカに送って修理してもらいました
- なんかめっちゃきれいになってます
- ひっくり返すと大胆にホールソーで穴があけられて蓋されています
DIYなんだからそこも自分でしょ!!的な意見はあると思いますが、PCM1つしかないのと、蓋までは開けたのですが中が樹脂で満たされていて見た瞬間にお手上げって思ってしまった。(予備があったら多分やってみた)

- ということで修理から帰ってきた、PCMをポン

- チェックランプつきませんねー

- エラーコードも出ていません
- ??なんか気づかずに使ってたけど、昼と夜で背景の表示が白と黒で変わるみたい
これでまたしばらくは、快適に走れそうです。
さいごに
これでダッジラムバンのPCM修理交換に関するストーリーもおしまいです。
エンジンの不調というか全くかからない状態から復活して、まるでバンが新車に生まれ変わったかのような気分です。
ラムバンが新たに得たパワーとスムーズな走り?これからも楽しめます。
もうこれで、PCMが壊れることはしばらくないと思います。調子悪くなったら”PCMの妖精さん”がまたへそ曲げたのか~と、
大きな気持ちで皆さんも、VANライフを楽しみましょう。
もしこの記事がお役に立てたなら、ぜひ感想をお聞かせください。他に解決したいトラブルがあれば、それも教えていただけると嬉しいです。また、何か他の方法や工夫があれば、コメントでシェアしていただけると他の読者の方々にも役立ちます。これからも私たちの他の記事をお楽しみください。では、次の記事でお会いしましょう!
DIYの輪を広げよう!あなたの経験が誰かの役に立つ!
今回のプロジェクトは、いかがでしたでしょうか?
この記事を参考に、無事に作業を終えられた方も、もしかしたら新たな発見があった方もいるかもしれません。
DIYの醍醐味は、自分で手を動かすことで理解が深まり、より一層愛着が湧くこと。そして、その経験を共有することで、同じようにDIYを愛する仲間たちの役に立てることです。
もしあなたが今回の作業で何か新しい発見をしたり、オリジナルの裏技を編み出したりしたら、ぜひ教えてください!あなたの経験や知識が、他のDIYerさんたちにとって、かけがえのない情報になるはずです。
「こんな工具を使ったらもっと楽だった!」「この手順でやったらスムーズに進んだ!」など、どんな小さなことでも構いません。あなたのDIY体験を、写真や動画と一緒に、コメントやHOW TO でシェアしてください。
また、身の回りのことならなんでも情報をお待ちしています!「こんな施工方法があるよ!」「こんな方法だと簡単だよ!」などなど、あなたの経験や知識を、ぜひ共有してください


